Inicio ProductosMáquina de ensayo de hormigón

Sensor de presión digital de -100KPa~120MPa, transmisor de presión

Sensor de presión digital de -100KPa~120MPa, transmisor de presión

    • -100KPa~120MPa Digital Pressure Sensor Pressure Transmitter
    • -100KPa~120MPa Digital Pressure Sensor Pressure Transmitter
  • -100KPa~120MPa Digital Pressure Sensor Pressure Transmitter

    Datos del producto:

    Lugar de origen: China.
    Nombre de la marca: zealchon
    Certificación: ISO CE
    Número de modelo: el tipo 3051

    Pago y Envío Términos:

    Cantidad de orden mínima: 1 juego
    Precio: $200
    Detalles de empaquetado: Caja de madera
    Tiempo de entrega: 7 días
    Condiciones de pago: L/C, T/T, Western Union
    Capacidad de la fuente: 100 series por mes
    Contactar ahora
    Descripción detallada del producto
    Utilización: Sensor de presión Teoría: Sensor de la resistencia
    Producción: 4-20mA, 0-10V, 0-5V Descripción: transmisor de presión
    Fuente de alimentación: Sensor de 24 VCC (12~36 VCC) Rango de acción: -100 KPa~120 MPa

    Descripción del producto
    Sensor de presión digital de -100KPa~120MPa, transmisor de presión
    Sensor de presión digital de -100KPa~120MPa, transmisor de presión
    Sensor de presión digital de -100KPa~120MPa, transmisor de presión
    Especificación
    Aplicación:
     
    1.Ampliamente utilizado para medir la presión diferencial (o presión), el nivel, la densidad de líquido, gas o vapor y convertir el valor de lo anterior en salida de señal actual o salida de protocolo digital.
    2Las presiones se aplican directamente al diafragma aislante que proporciona aislamiento y resistencia contra el fluido de proceso
    la corrosión.
    3Al estar basado en un microprocesador, el circuito electrónico es extremadamente versátil y preciso.
    4Combinado con la precisión del sensor, proporciona la alta precisión y capacidad de alcance.
    5El rendimiento del transmisor se mejora mediante el seguimiento continuo de la temperatura del sensor y las correcciones correspondientes.
    6Una pantalla local permite una fácil lectura y escritura de datos.
    Características Alta precisión y rendimiento estable Dentro de los límites superior e inferior del rango,el punto cero se puede ajustar arbitrariamente muy poco afectado por la temperatura y la presión estática fuerte capacidad de interferencia anti-electromagnética alto contraste con la interfaz de pantalla LCD, amigable y fácil de entender Buena protección contra sobrecargas unidireccionales y una fuerte resistencia a IT. Datos recuperables del campo del transmisor Intercambiabilidad de piezas, versatilidad y durabilidad.Fácil de instalar en el sitio
    el artículo
    Valor
    Número de modelo
    el tipo 3051
    El tipo
    Sensor de presión de medición
    Lugar de origen
    China.
     
    Shaanxi
    Nombre de la marca
    el césped
    Utilización
    SENSOR de presión
    Teoría
    Sensor de resistencia
    Producción
    4 a 20 mA, 0 a 10 V, 0 a 5 V
    Descripción
    Transmisor de presión
    Rango de acción
    -100 KPa~120 MPa
    Fuente de alimentación
    El valor de la corriente de corriente de un conductor eléctrico es el valor de la corriente de corriente de un conductor eléctrico.
    Señales de salida
    4-20mA (protocolo HART)
    Nombre del producto
    Transmisor de presión
    Precisión
    Se aplicarán las siguientes medidas:
    Temperatura de funcionamiento
    -96°C a 450°C
    Humedad relativa
    0-90% de Hg
    Embalaje y entrega
    Sensor de presión digital de -100KPa~120MPa, transmisor de presión
    Hoja de selección
    Sensor de presión digital de -100KPa~120MPa, transmisor de presión
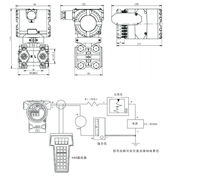
    Estructura externa
    Sensor de presión digital de -100KPa~120MPa, transmisor de presión
    Contacta con nosotros
    Sensor de presión digital de -100KPa~120MPa, transmisor de presión

    Contacto
    Xian Zealchon Electronic Technology Co., Ltd.

    Persona de Contacto: Miss. Elieen Liang

    Teléfono: 86--15091779716

    Envíe su pregunta directamente a nosotros (0 / 3000)

    Otros productos